Hệ thống mua sắm Bếp Linh Hỗ trợ: cuonggoviet@gmail.com Tư vấn: 0905666396
Thông báo của tôi0

RUỘT KHÓA HAFELE 916.96.664

346.500₫ 385.000₫ Còn hàng
Mã: 916.96.664KM: Call để có giá rẻ hơn 0905.666.396
alt

RUỘT KHÓA HAFELE 916.96.664

Tên: Ruột khóa Hafele 916.96.664
Mã Hafele: 916.96.664
Xuất Xứ:  PRC

ĐẶC TÍNH CỦA RUỘT KHÓA HAFELE 916.96.664

Ruột khóa Hafele 916.96.664 thuộc dòng: Startec

+ Hệ chìa chủ theo yêu cầu của khách hàng

+ Hệ thống chìa 5 pin

+ Số lượng chìa phụ thuộc vào số lượng cặp pin và các xếp pin

+ Ruột khóa theo tiêu chuẩn EN1303 và DIN 18 252: 09/1999

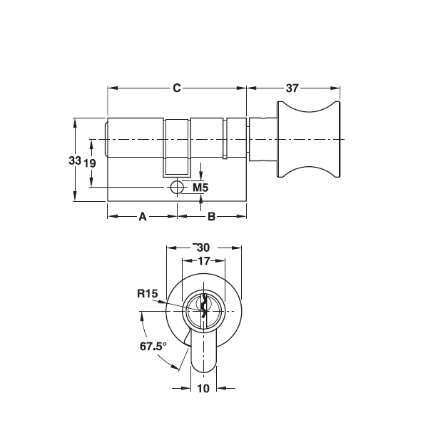
+ Một đầu chìa

+ Một đầu vặn

Ruột khóa Hafele 916.96.664 phù hợp với phòng ngủ, cửa phòng riêng

THÔNG TIN KỸ THUẬT CỦA RUỘT KHÓA HAFELE 916.96.664

+ Chất liệu: Đồng mạ vàng PVD

+ Chiều dài A: 35.5 mm

+ Chiều dài B: 35.5 mm

+ Chiều dài C: 71 mm

+ Trộn bộ gồm: 1 ruột khóa một nửa +  Vít cố định ruột khóa + 3 chìa thép mạ nikel

Nội dung tùy chỉnh viết ở đây