Hệ thống mua sắm Bếp Linh Hỗ trợ: cuonggoviet@gmail.com Tư vấn: 0905666396
Thông báo của tôi0

THÂN KHÓA HAFELE 911.02.782

287.100₫ 319.000₫ Còn hàng
Mã: 911.02.782KM: Call để có giá rẻ hơn 0905.666.396
alt

Tên: thân khóa hafele 911.02.782
Mã Hafele: 911.02.782
Xuất Xứ:  PRC

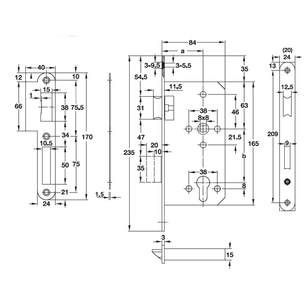
ĐẶC TÍNH CỦA THÂN KHÓA HAFELE 911.02.782

Thân khóa hafele 911.02.782 thuộc dòng: Startec

+ Kiểu loại: Thân khóa lưỡi già chốt chết

+ Công dụng: Dùng cho cửa đi, cửa thông phòng, cửa phòng tắm

+ Dùng cho cửa gỗ phẳng hoặc có mộng

+ Lưỡi gà được điều khiển bởi tay nắm và ruột khoá

+ Chốt chết được điều khiển bằng ruột khoá

+ Chốt chết, lưỡi gà và lỗ trực tay nắm làm từ inox

+ Lỗ trục tay nắm:  8 mm

THÔNG TIN KỸ THUẬT CỦA THÂN KHÓA HAFELE 911.02.782

+ Chất liệu: thép mạ nikel

+ Mặt thân khóa inox 304

+ Mặt thân khóa tròn kích thước 24 mm

+ Khoảng cách từ lỗ trục tay nắm đến lỗ ruột khoá (b): 72 mm

+ Khoảng cách từ cạnh cửa đến tâm lỗ ruột khoá (a): 55 mm

+ Trộn bộ gồm: 1 thân khoá + 1 bas thân khoá + 1 bas hộp nhựa + Vít

Nội dung tùy chỉnh viết ở đây