Hệ thống mua sắm Bếp Linh Hỗ trợ: cuonggoviet@gmail.com Tư vấn: 0905666396
Thông báo của tôi0

THÂN KHÓA ĐỒNG HAFELE 911.02.154

539.550₫ 599.500₫ Còn hàng
Mã: 911.02.154KM: Call để có giá rẻ hơn 0905.666.396
alt

THÂN KHÓA ĐỒNG HAFELE 911.02.154

Tên: thân khóa đồng hafele
Mã Hafele: 911.02.154
Xuất Xứ:  PRC

ĐẶC TÍNH CỦA THÂN KHÓA ĐỒNG HAFELE 911.02.154

Thân khóa đồng hafele 911.02.154 thuộc dòng: Startec

+ Kiểu loại: Thân khóa lưỡi già chốt chết

+ Công dụng: Dùng cho cửa đi, cửa thông phòng, cửa phòng tắm

+ Dùng cho cửa gỗ phẳng hoặc có mộng

+ Lưỡi gà được điều khiển bởi tay nắm và ruột khoá

+ Chốt chết được điều khiển bằng ruột khoá

+ Chốt chết, lưỡi gà và lỗ trực tay nắm làm từ inox

+ Lỗ trục tay nắm:  8 mm

+ Theo chứng chỉ EN 12209

+ Theo tiêu chuẩn CE

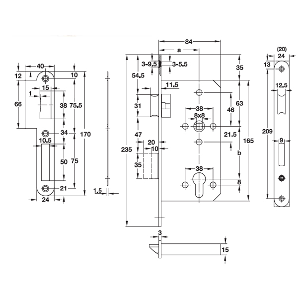
THÔNG TIN KỸ THUẬT CỦA THÂN KHÓA ĐỒNG HAFELE 911.02.154

+ Chất liệu: thép mạ nikel

+ Mặt thân khóa inox 304 mạ đồng bóng

+ Mặt thân khóa tròn kích thước 24 mm

+ Khoảng cách từ lỗ trục tay nắm đến lỗ ruột khoá (b): 72 mm

+ Khoảng cách từ cạnh cửa đến tâm lỗ ruột khoá (a): 55 mm

+ Trộn bộ gồm: 1 thân khoá + 1 bas thân khoá + 1 bas hộp nhựa + Vít

Nội dung tùy chỉnh viết ở đây